Microsystems Prototyping Laboratory


buff121: TRI-STATE BUFFER


Gate Level Schematic of the standard cell "buff121".


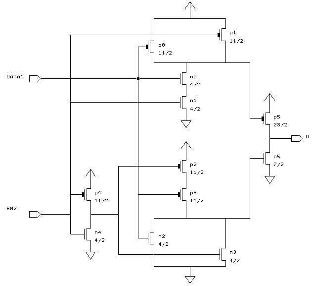
Schematic of the standard cell "buff121" with device sizes in lambda.


Layout of the standard cell "buff121"

here.


Logic Equation: O = DATA1 * EN2


Input(s): DATA1, EN2


Output(s): O


Truth Table

-----------------------
EN2	DATA1	O
-----------------------
0	x	z
1	0	0
1	1	1
-----------------------


Terminal Location and Capacitance Table

--------------------------------------------
Name	X_loc	Y_loc	   Capacitance (fF)
	lambda  lambda   2U	1.2U	0.8U
--------------------------------------------
DATA1	40.5	40	74.5	34.2	22.0
EN2	12.5	44	94.0	43.1	27.0
O	77	27	-	-	-
--------------------------------------------


Characterization Data